销售热线:
一、FSB型氟塑料合金离心泵产品概述:
FSB型氟塑料合金离心泵按国际标准设计,泵体采用金属外壳内衬聚全氟乙丙烯(F46), 泵盖、叶轮和轴套均用金属嵌件外包氟塑料整体烧结压制成型,轴封采用外装式波纹管机械密封,静环选用99%氧化铝陶瓷或氮化硅,动环采用四氟填充材料,耐腐耐磨,适用于输送任何浓度的硫酸、盐酸、醋酸、氢氟酸、硝酸、王水、强碱、强氧化剂、有机溶剂、还原剂等苛刻条件的强腐蚀性介质,是目前世界上最强耐腐蚀装备之一。其具有结构紧凑合理、耐强腐蚀、密封性能严密可靠、工作稳定、噪声低、机械强度高、不老化、无毒素分解、维修方便、流道光滑、效率高,节约能源等优点。杜绝跑、冒、滴、漏,广泛应用于化工、制酸、制碱、冶炼、稀土、农药、染料、医药、造纸、电镀、电解、酸洗、无线电、化成箔、科研机构、国防工业等行业。 本司产品全部采用计算机设计和优化处理,公司拥有雄厚的技术力量、丰富的生产经验和完善的检测手段,从而保证产品质量的稳定可靠。
二、FSB型氟塑料合金离心泵技术参数:
流量:3.6~100m3/h;
扬程:15~55m;
转速:2900r/min;
功率:1.5~18.5KW;
进口直径:25~100mm;
适用温度:-20℃~120℃。
三、FSB型氟塑料合金离心泵型号意义:
50FSB - 30D
50 – 吸入口直径(mm)
FS – 过流部件材料为氟塑料
B – 单级单吸悬臂式离心泵
30 – 设计扬程(m)
D – 短支架联接式
四、FSB型氟塑料合金离心泵性能参数:
| 型 号 | 流 量 m3\h | 扬 程(m) | 口 径 (mm) | 功 率 (Kw) | 转 速 (r/min) | 汽蚀 余量 (m) | 效 率 (%) | |
| 进口 | 出口 | 电机功率 | ||||||
| 25FSB-10 | 1.5 | 10 | 25 | 20 | 1.5 | 2900 | 6 | 29 |
| 25FSB-18 | 3.6 | 18 | 25 | 20 | 2.2 | 2900 | 6 | 27 |
| 25FSB-25 | 3.6 | 25 | 25 | 20 | 2.2 | 2900 | 6 | 27 |
| 40FSB-15 | 5 | 15 | 40 | 32 | 3 | 2900 | 6 | 40 |
| 40FSB-20 | 10 | 20 | 40 | 32 | 4 | 2900 | 6 | 42 |
| 40FSB-30 | 10 | 30 | 40 | 32 | 4 | 2900 | 6 | 38 |
| 40FSB-40 | 10 | 40 | 40 | 32 | 5.5 | 2900 | 5.5 | 35 |
| 40FSB-50 | 10 | 50 | 40 | 32 | 7.5 | 2900 | 5 | 33 |
| 50FSB-20 | 15 | 20 | 50 | 40 | 4 | 2900 | 6 | 51 |
| 50FSB-25 | 15 | 25 | 50 | 40 | 4 | 2900 | 6 | 49 |
| 50FSB-30 | 15 | 30 | 50 | 40 | 4 | 2900 | 6 | 44.5 |
| 50FSB-40 | 15 | 40 | 50 | 32 | 5.5/7.5 | 2900 | 5.5 | 35 |
| 50FSB-50 | 15 | 50 | 50 | 32 | 7.5/11 | 2900 | 5.5 | 33 |
| 50FSB-63 | 15 | 63 | 50 | 32 | 11 | 2900 | 5.5 | 30 |
| 65FSB-32 | 29 | 32 | 65 | 50 | 5.5 | 2900 | 6 | 57 |
| 65FSB40 | 29 | 40 | 65 | 40 | 11 | 2900 | 5.5 | 53 |
| 65FSB-50 | 29 | 50 | 65 | 40 | 15 | 2900 | 5.5 | 46 |
| 65FSB-64 | 29 | 64 | 65 | 40 | 15/18.5 | 2900 | 5.5 | 44 |
| 80FSB-20 | 50 | 20 | 80 | 65 | 5.5 | 2900 | 6 | 69 |
| 80FSB-25 | 50 | 30 | 80 | 65 | 7.5 | 2900 | 5.5 | 64 |
| 80FSB-30 | 50 | 34 | 80 | 65 | 11 | 2900 | 5.5 | 64 |
| 80FSB-40 | 50 | 40 | 80 | 50 | 11/15 | 2900 | 5.5 | 60 |
| 80FSB-50 | 50 | 50 | 80 | 50 | 15/18.5 | 2900 | 6 | 53 |
| 80FSB-55 | 50 | 55 | 80 | 50 | 15/18.5 | 2900 | 5.5 | 47 |
| 80FSB-55 | 50 | 80 | 80 | 50 | 30/37 | 2900 | 5.5 | 36 |
| 100FSB-32 | 100 | 32 | 100 | 80 | 18.5/22 | 2900 | 5.5 | 70 |
| 100FSB-40 | 100 | 40 | 100 | 80 | 18.5/22 | 2900 | 5.5 | 70 |
| 100FSB-50 | 100 | 50 | 100 | 65 | 22/30 | 2900 | 5.5 | 62 |
FSB型氟塑料合金离心泵结构图

ZS型不锈钢冲压离心泵材料对照表

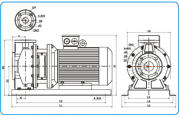
FSB型氟塑料合金离心泵尺寸图

ZS型不锈钢冲压离心泵尺寸表
